G3" resistant heavy industry solenoid valve CA76T pulse dust collector
Description
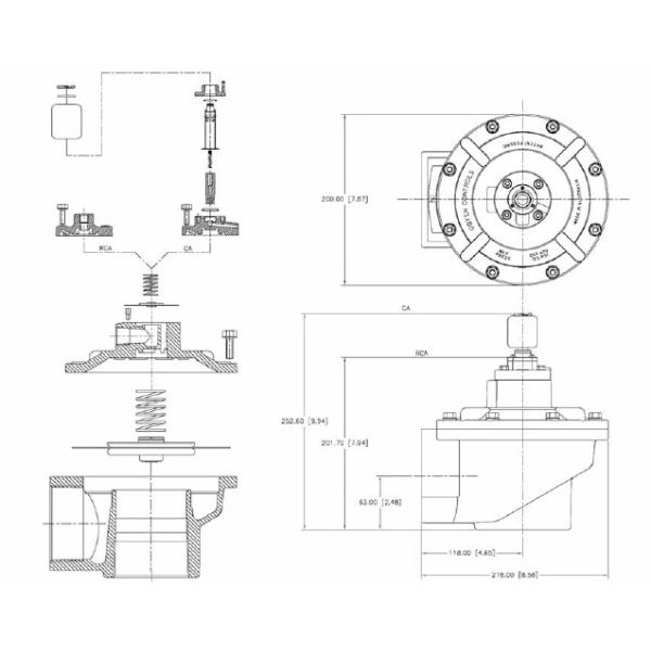
High performance diaphragm valve with threaded ports. Available with integral pilot or as remotely piloted valve. Outlet at 90° to inlet.
Suitable for
Dust collector applications, in particular for reverse pulse jet filter cleaning including bag filters, cartridge filters, envelope filters, ceramic filters, and sintered metal fibre filters.


Construction
Body: Aluminium (diecast)
Ferrule: 304 SS
Armature: 430FR SS
Seals: Nitrile or fluororubber (reinforced)
Spring: 304 SS
Screws: 302 SS
Diaphragm Seat: PA-6 (standard), fluororubber coated mild steel or High Density PE Refer to Q Series Solenoid product data sheet for solenoid construction details.
Installation
1. Prepare supply and blowtube pipes to suit valve specification. Avoid installing valves underneath the tank.
2. Ensure tank and pipes are free from dirt, rust or other particulate.
3. Ensure supply air is clean and dry.
4. Mount valves to inlet pipes and blowtube to valves, ensuring no excess thread sealant can enter the valve itself.
5. Make electrical connections to solenoid or connect RCA pilot port to pilot valve (RCA valves only).
6. Apply moderate pressure to system and check for installation leaks.
7. Fully pressurise system.
8. Test fire and listen for proper actuation and crisp pulse noise.
Weights: | Size | Integral Pilot (CA) Kg (lbs) | Remote Pilot (RCA) Kg (lbs) |
| 76 | 4.77(10.52) | 4.56(10.04) |
Maintenance Kits
| Model | Nitrile | fluororubber | Low Temperature -60°C (-76°F) Min. | Includes |
| CA/RCA76T | K7600 | K7601 | NA | Diaphragm kits include main and secondary diaphragms (where required) and all springs.These kits are for discontinued valves. o-ring, armature assembly, armature spring, ferrule |
| Pilot repair kit | K0380 | K0384 | NA |
Pressure Range: 30(5)-860(125) kPA(Psi)
Temperature Range: Nitrite Seals: -40°C (-40°F) to 82°C(179.6°F) fluororubber Seals: -29°C (-20.2°F) to 232°C (449.6°F)
Dimension(mm and inch):

Maintenance
Before conducting any maintenance activity on the system ensure that components are fully isolated from pressure and power supplies. Pressure and power should not be reapplied until the valve has been fully assembled. Diaphragm and pilot inspection should be conducted annually.
Competitive Advantage
Our product features Our Services Guarantee:
1) Competitive price 1) Prompt respond (Reply with 24 hours)
2) Good quality 2) Free Samples (Customer pay for the delivery cost)
3) Professional Packaging 3) Registration support.
4) Produce according to Customers’ instruction 4) Photos/videos are available during production.
5) None delay shipment 5) Loading inspection, and send loading photos before shipment.
Serves time
0:00 - 23:59
From Monday to Sunday
Product Tags:
|
|
Die Cast Aluminium Dust Collector Pulse Jet Valves CA76T Images
|